sábado, 23 de mayo de 2015

Diagrama de contactos (Ladder)


Es un lenguaje gráfico, derivado del lenguaje de relés. Mediante símbolos representa contactos,
bobinas, etc. Su principal ventaja es que los símbolos básicos están normalizados según el estándar IEC y son empleados por todos los fabricantes. Los símbolos básicos son:



                          

En estos diagramas la línea vertical a la izquierda representa un conductor con tensión, y la línea vertical a la derecha representa tierra.

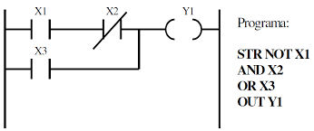
Por ejemplo:

                           
Con este tipo de diagramas se describe normalmente la operación eléctrica de distintos tipos de máquinas, y puede utilizarse para sintetizar un sistema de control y, con las herramientas de software adecuadas, realizar la programación del PLC.


Se debe recordar que mientras que en el diagrama eléctrico todas las acciones ocurren simultáneamente, en el programa se realizan en forma secuencial, siguiendo el orden en el que los "escalones" fueron escritos, y que a diferencia de los relés y contactos reales
(cuyo número está determinado por la implementación física de  estos elementos), en el PLC se puede considerar que existen infinitos contactos auxiliares para cada entrada, salida, relé auxiliar o interno, etc.

CHICOS PARA MAS INFORMACION DEL LENGUAJE LADDER VISITAR;

-------------->          AQUÍ 
                    (CONTACTOS, RELES INTERNOS O MARCA, TEMPORIZADORES, ETC.)



















No hay comentarios.: